氣體流量計的安裝要求
點擊次數:3312 發布時間:2021-05-07 07:01:27
渦街流量計儀表的安裝
儀表的正確安裝是保障儀表正常運行的重要環節,若安裝不當,輕則影響儀表的使用精度,重則會影響儀表的使用壽命,甚至會損壞儀表。
(一) 安裝環境要求:
1.盡可能避開強電設備、高頻設備、強開關電源設備。儀表的供電電源盡可能與這些設備分離。
2.避開高溫熱源和輻射源的直接影響。若必須安裝,須有隔熱通風措施。
3.避開高濕環境和強腐蝕氣體環境。若必須安裝,須有通風措施。
4.渦街流量儀表應盡量避免安裝在振動較強的管道上。若必須安裝,須在其上下游 2D 處加設管道緊固裝置,并加防振墊,加強抗振效果。
5.儀表*好安裝在室內,安裝在室外應注意防水,特別注意在電氣接口處應將電纜線彎成 U 形,避免水順著電纜線進入放大器殼內。
6.儀表安裝點周圍應該留有較充裕的空間,以便安裝接線和定期維護。
(二) 儀表管道安裝要求:
1.渦街流量儀表對安裝點的上下游直管段有一定要求,否則會影響介質在管道中的流場,影響儀表的測量精度。儀表的上下游直管段長度要求見圖(三)

注:調節閥盡可能不安裝在渦街流量儀表的上游,而應安裝在渦街流量儀表的下游 10D 處。
2.上、下游配管內徑應相同。如有差異,則配管內徑 Dp 與渦街儀表表體內徑 Db,應滿足以下關系0.98Db≤Dp≤1.05Db上、下游配管應與流量儀表表體內徑同心,它們之間的不同軸度應小于 0.05Db
3.儀表與法蘭之間的密封墊,在安裝時不能凸入管內,其內徑應比表體內徑大 1-2mm
4.測壓孔和測溫孔的安裝設計。被測管道需要安裝溫度和壓力變送器時,測壓孔應設置在下游 3-5D處,測溫孔應設置在下游 6-8D 處,見圖(七)。D 為儀表工稱口徑,單位:mm
5.儀表在在管道上可以水平、垂直或傾斜安裝。
6.測量氣體時,在垂直管道安裝儀表,氣體流向不限。但若管道內含少量液體,為了防止液體進入儀表測量管,氣流應自下而上流動,如圖(四)a 所示
7.測量液體時,為了保證管內充滿液體,所以在垂直或傾斜管道安裝儀表時,應該保證液體流動方向從下而上。若管道內含少量氣體,為了防止氣體進入儀表測量管,儀表應安裝在管線的較低處如圖(四)b 所示

8.測量高溫、低溫介質時,應注意保溫措施。轉換器內部(表頭殼體內)高溫一般不應超過 70℃;低溫易使轉換器內部出現凝露,降低印制電路板的絕緣阻抗,影響儀表正常工作。
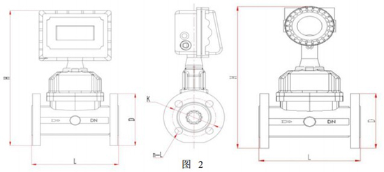
(三) 儀表的安裝外形尺寸:見圖(五)、圖(六)


(四)插入式渦街流量儀表安裝步驟:
1.在管道上用氣焊開一個略小于φ 100mm 的圓孔,并把圓孔周圍毛刺清除干凈,以保證測頭旋轉流利
2.在管道圓孔處焊上廠家提供的法蘭,要求法蘭軸線與管道軸線垂直。
3.將球閥及傳感器安裝在焊接好的發蘭上。
4.調節絲杠,使插入深度符合要求(保證測頭中心軸線和管道中心軸線重合),流體流向必須與方向標上的指示箭頭保持一致。
5.均勻擰緊壓蓋上的螺絲。(注:壓蓋的松緊程度決定儀表的密封程度和絲杠能否旋動)
6.檢查各環節是否完成好,慢慢打開閥門觀察是否有泄漏(需特別注意人身安全)若有泄露請重復步驟 5、6。
(五)壓力變送器和 Pt100 安裝示意圖

旋進旋渦流量計儀表外形尺寸及安裝
4.1 流量計外形尺寸
流量計的外形尺寸見圖 5,圖中未注尺寸列于表 2 中,流量計采用法蘭連接方式。法蘭尺寸執行 GB/T9112~9113-2000 標準。


注:以上數據僅供參考,具體以實物為準,如有技術升級,暫不另行通知
4.2 流量計安裝
4.2.1 流量計的安裝
1.流量計安裝時,嚴禁在其進出口法蘭處直接進行電焊,以免燒壞流量計內部零件。
2.對于新安裝或檢修后的管道務必進行清掃,去除管道中的雜物后方能安裝流量計。
3.流量計應安裝在便于維修、無強電磁場干擾、無強烈機械振動以及熱輻射影響的場所;
4.流量計不宜用在流量頻繁中斷和有強烈脈動流或壓力脈動的場合;
5.流量計室外安裝時,上部應有遮蓋物,以防雨水浸入和烈日曝曬影響流量計使用壽命;
6.流量計可任意角度安裝,流體的流向應與流量計上標識的流向一致;
7.在管道施工中,應考慮安裝伸縮管或波紋管,以免對流量計造成嚴重的拉伸或斷裂;
8.流量計應與管道同軸安裝,并防止密封片和黃油進入管道內腔;
9.采用外電源時,流量計必須有可靠接地,不得與強電系統共用地線,在管道安裝或檢修時,不得把電焊系統的地線與流量計搭接。
10.為了不影響流體正常輸送和便于維護,要求按圖 6 所示安裝旁通管道,并保證前≥3DN、 后≥1DN 的直管段;

4.2.2 直管段要求
根據旋進旋渦流量計的工作原理和流量計對上、下游直管段要求,對各種上游阻力件,建議采用如圖 7 所列的前后直管段長度,且保持直管段內壁光滑平直。

4.2.3 安裝注意事項
1.傳感器按流向標志可在垂直、水平或任意傾斜位置上安裝;
2.當管線較長或距離振動源較近時,應在流量計的上、下游安裝支撐,以消除管線振動的影響;
3.傳感器的安裝地點應有足夠的空間,以便于流量計的檢查和維修,并應滿足流量計的環境要求;
4.應避免外界強磁場的干擾;
5.在室外安裝使用時,應有遮蓋物,避免烈日曝曬與雨水浸蝕,影響儀表使用壽命;
6.管線試壓時,應注意智能型流量計所配置壓力傳感器的壓力測量范圍,以免過壓損壞壓力傳感器;
7.應注意安裝應力的影響,安裝流量計上游和下游管道應同軸,否則會產生剪切應力。安裝流量計的位置應考慮密封墊片的厚度,或在下游安裝一個彈性伸縮節;
8.安裝流量計之前應先清除管道中的焊渣等雜物;
9.投入運行時,應緩慢開啟流量計上、下游閥門,以免瞬間氣流過急而沖壞起旋器;
10.當流量計需要有信號遠傳時,應嚴格按“工作電源”要求接入外電源(8~24)VDC,嚴禁在信號輸出口直接接入 220VAC 或 380VAC 電源;
11.用戶不得自行更改防爆系統的接線方式和任意擰動各個輸出引線接頭;
12.流量計運行時,不允許隨意打開后蓋改動儀表參數,否則影響流量計的正常工作;
13.定時檢查流量計法蘭處的泄漏情況。
4.2.4 內置電池的使用及更換
1.電池電量顯示
當電池顯示僅剩一格時,要求用戶在一個月內更換電池;只顯示電池外形符號時,則電池電量已耗盡,必須立即更換電池。
2.電池的更換方法
打開智能流量積算儀的后蓋,松開電池蓋板上的三顆螺釘,拔下電池插座,取出電池,換好新電池后重新安裝。
4.2.5 防爆場所安裝要求
1.流量計應有可靠的接地,防爆接地不應與強電系統的保護接地共用;
2.現場測試電源時,不允許使用交流電源接地;
3.在任何情況下,用戶不得自行更改防爆電路、元器件和防爆型式;
4.必須先切斷外接電源再打開轉換器蓋子。
熱式氣體流量計現場插入式儀表安裝
(1)安裝地點的選擇
選擇水平直管段安裝,安裝點表前和表后的直管段要求為:安裝點上游的節流元件距安裝點必須大于 5 倍管道直徑,安裝點下游的節流元件距安裝點必須大于 3 倍管道直徑,有條件的情況我們建議盡量使表前表后直管段長些。
(2)安裝底座

底座根據安裝方式不同,分為標準型和精簡型,安裝時應使底座位于管道截面方向的*頂端,并使底座通孔的軸心垂直管道軸心。理想的底座焊接位置和焊接工藝。(如下圖)

安裝球閥
將不銹鋼專用閥門與焊接管道上的底座緊固前,應在壓接觸面使用密封墊(介質溫度在 100℃一下使用尼龍材料。100℃以上使用紫銅材質也可選用樂泰567 專用管螺紋膠進行密封)圖 8 為安裝完成的效果圖

打孔
經相關技術人員確認符合在線安裝的場合,用專用的打孔器開孔,可以實現在線不停產開孔安裝。停產打孔時可以采用多種方法,但要保證孔的軸心與底座的孔心同心,若不能保證同心建議可將管道上的孔大些,這樣有一定間隙可以調整。
儀表的安裝
參照附錄 1 圖(標準型熱式氣體質量流量計)
1) 將儀表傳感器連接桿上的止退螺母松開,使傳感器存儲腔連接螺母能沿著傳感器連接桿向傳感器方向滑動,使其傳感器能完全縮入傳感器存儲腔連接螺母中。
2) 將傳感器存儲腔連接螺母旋緊于專用球閥上(在旋入前需在他們之間加裝密封墊片)
3) 打開專用球閥,將傳感器連接桿插入管道,直至止退螺母能夠與腔式連接螺母鎖緊。
4) 轉動傳感器連桿,使標記箭頭與介質流動方向相同,鎖緊止退螺母。
5) 更改轉換器方向,如果顯示屏的方向不能滿足現場顯示角度的要求,可以更改顯示屏的方向,顯示表頭可以在水平 6 個方向轉動。切斷電源,打開轉換器前蓋,拆下傳感器與轉換器連線,(4 組共 6 根 接線位置排列為從左到右依次為【兩根紅色一組】【一根紅色一組】【一根黃色一組】【兩根黃色一組】 )我們在出廠是已將組別分好。松開表頭法蘭(旋掉 6 顆 M6 的內六角螺絲),此時可以慢慢的移動表頭(千萬要小心不能講表頭跌落)。當觀測方便,重新固定法蘭,并連接傳感器與轉換器連線,蓋緊前蓋接通電源。
6) 如果您是橫向安裝的本款儀表的顯示屏可以 90°180°270°的靈活安裝,滿足你現場實際需要。
參照附錄 2 圖(精簡型熱式氣體質量流量計)
1) 在安裝精簡型熱式氣體質量流量計前請確認管道的實際內徑和壁厚。
2) 將熱式氣體質量流量計的其余部分一起裝入專用球閥內,根據實際管道內徑和壁厚計算出要插入的深度。這一步可以插入個大致尺寸并用手擰緊螺母。
3) 轉動傳感器連桿,使標記箭頭與介質流動方向相同。
4) 根據現場測得的數據換算出在傳感器連接桿上的相應刻度,鎖緊螺母即可。
5) 如果您是橫向安裝的本款儀表的顯示屏可以 90°180°270°的靈活安裝,滿足你現場實際需要。
參照附錄 3 圖(滿管型熱式氣體質量流量計)
滿管型儀表在出廠是已經把傳感器正確的裝配在專用的管段上,用戶只需要把管道裝配到現場,因此相對現場插入式的安裝要簡單些。*先在管路上選擇合適的安裝點然后按照必要配套的管段的長度切割管道、安裝相應法蘭和螺栓。確定流體流量要與滿管型熱式氣體質量流量計所標的流量標識一致。并且顯示屏要垂直與水平面,管道軸心要平行水平面,誤差不能超過±2.5°*后用螺栓鎖緊儀表。
各種安裝后效果圖


氣體渦輪流量計儀表外形尺寸及安裝
4.1 流量計外形尺寸及安裝
流量計的外形尺寸見圖2,圖中未注尺寸列于表2中,流量計采用法蘭連接方式。法蘭尺寸執行GB/T9112~9113-2000標準。


注:圖 1所示為溫壓補償型儀表外型。
所有型號儀表傳感器部分以及整機高度尺寸一致,該尺寸僅供參考,具體參考實物,技術升級導致尺寸變更暫不另行通知。
4.2 流量計安裝
1.對于新安裝或檢修后的管道務必進行吹掃,去除管道中的雜物后方能安裝流量計。在進行所有流體靜壓實驗和清掃管路操作期間,應拆下儀表,以免測量部件的嚴重損壞。
2.安裝前,用微小氣流吹動渦輪時,渦輪能轉動靈活,并沒有無規則的噪音,計數器轉動正常,無間斷卡滯現象,則流量計可安裝使用。
3.流量計安裝時法蘭和管道法蘭中間要加密封墊圈。
4.流量計上游處(≧2DN)必須安裝相應規格的過濾器,氣質較臟的場合應加裝油過濾器,用戶訂貨前,可同時向我公司訂貨,嚴禁過濾器和流量計直接相連。
5.流量計在安裝時前后均應加截至閥門。
6.法蘭盤連接處管道內經處不應該有突起相連接。
7.流量計安裝時,嚴禁在其進出口法蘭處直接進行電焊,以免燒壞流量計內部零件。
8.流量計應安裝在便于維修、無強電磁場干擾、無機械振動以及熱輻射影響的場所;
9.流量計不宜用在流量頻繁中斷和有強烈脈動流或壓力脈動的場合;
10流量計室外安裝時,上部應有遮蓋物,以防雨水浸入和烈日曝曬影響流量計使用壽命;
11.流量計可水平或垂直安裝,流體流動方向應與殼體上標識的方向一致,在流量計的上、下游應保證有 2DN和 1DN的直管段長度。
12.為了不影響流體正常輸送,建議按圖 3安裝旁通管道,在正常使用時必須關閉旁通管道閥門。

13.在管道施工時,應考慮安裝伸縮管或波紋管,以免對流量計造成嚴重的拉伸或斷裂;
14.應確保管道與流量計入口和出口的連接同軸,并防止墊圈和焊縫突入管道內,否則會擾亂流動剖面;
15.采用外電源時,流量計必須有可靠接地,但不得與強電系統共用地線;在管道安裝或檢修時,不得把電焊系統的地線與流量計搭接;
16.管道安裝完畢進行密封性試壓時,應注意流量計壓力傳感器所能承受的*高壓力(即檢定**上介質*大壓力),以免損壞壓力傳感器。
17.流量計投入運行時,應緩慢開啟閥門(開啟時間不少于 15s),逐步增加流速,以免瞬間氣流沖擊而損壞渦輪。
4.2.2 防爆場所安裝要求
1.流量計應有可靠的接地,防爆接地不應與強電系統的保護接地共用。
2.現場測試電源時,不允許使用交流電源接地。
3.在任何情況下,用戶不得自行更改防爆電路、元器件和防爆型式。
4.必須先切斷外接電源再打開轉換器蓋子。
上一篇:氣體流量計的種類及工作原理
下一篇:蒸汽流量表的工作原理


