相關產品推薦更多 >>
V錐型流量計選型和管徑關系
點擊次數:3102 發布時間:2021-03-16 06:31:38
v錐流量計尺寸與選型
1.管道式S0法蘭連接(VS)
法蘭標準:ANSIB16.5/HG20616 連接形式:SO 密封形式:RF
壓力等級(CL/MPa):150/2.0
法蘭標準:JB/T82.1/HG20593、20594 連接形式:平焊 密封面形式:凸(突)臺面
壓力等級(MPa):0.25、0.6、1.0、1.6、2.5
外形圖


尺寸表

2.管道式WN法蘭連接(VW)
法蘭標準:ANSIB16.5/HG20617 連接形式:WN 密封面形式:RF RJ
壓力等級(CL/MPa):150/2.0、300/5.0、600/11.0、900/15.0、1500/26.0、2500/42.0
法蘭標準:GB/T9115/JB/T82/HG20595 連接形式:對焊 密封面形式:凸(突)臺面、凹凸面、環連接面
壓力等級(MPa):0.25、0.6、1.0、1.6、2.5、4.0、6.3、10.0、16.0、25.0、40.0
外形圖

尺寸表一

尺寸表二


3.管道式SO、WN法蘭連接(VS、VW)選型

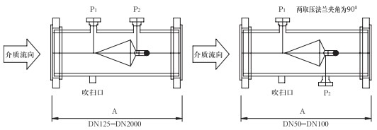
3.法蘭取壓(VF)
適用于粘稠、易結垢液體(原油、渣油、原料油、回煉油、水煤漿、焦油、硫磺、苯)、臟污及粉塵氣體對于高粘度及粉塵介質可依據設計要求增加吹掃口。
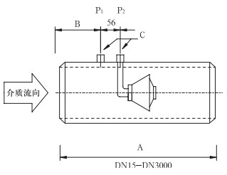
SO管法蘭連接外形及尺寸

尺寸表一

4.WN管法蘭連接外形及尺寸

尺寸表二

1.總長度允許誤差范圍:DN50-250,±6mm;DN300-600,±7mm;≥DN700,±8mm。吹掃口直徑:DN50-100,DN25;DN125-3000,DN40。
2.尺寸表中同一欄值有兩個并以/隔開,表示/下方的數值是以HG管法蘭尺寸計算所得。
3.DN>600法蘭標準為ANSIB16.47(HG20623)
取壓口法蘭公稱直徑(標準設計)為DN40,也可以依據用戶要求選取法蘭直徑。
取壓口法蘭連接形式:WN,密封面形式:RF,法蘭標準:ANSIB16.5、HG20617、JB/T82.1。
5.法蘭取壓(VF)選型

6.直接焊接式(VB)
適用于測量高壓和超高壓介質流量,不用法蘭連接,而是采用直接焊接,以減少管路上的泄露點,如:加氫裂化、聚乙烯、電廠的主蒸汽和主給水等。
適用于測量長輸管道高強度鋼管內流體的流量,鋼管標準:GB/T9711.1、GB/T9711.2 如:長輸管道、城市管網等。
外形圖

長輸管道尺寸表

總長度允許誤差范圍:φ114.3-273,±4mm;DN323.8-610,±6mm;DN660-1524,±7mm。長輸管道公稱直徑從“4 1/2~60”,只有一個外徑系列,故選項時不選外徑代碼。
7.直接焊接式(VB)選項

8.保溫夾套式(VJ)
專門為測量要求夾套管伴熱工藝介質的流量而設計,特別適合易結晶介質及溫控要求嚴格的場合。鋼制夾套管法蘭標準:SHT501-1997。
外形圖

尺寸表

9.保溫夾套式(VJ)選項

10.防腐式(VA)
連接法蘭標準:ANSIB16.5/HG20617 JB/T82/HG20595
連接法蘭壓力等級(CL/MPa):150-2500/2.0-42.0、PN0.25-25.0
VA獨特的耐腐蝕防堵裝配結構,是為測量含有濕氣的氯氣、氯化氫、氫氟酸等介質的流量而專業設計
特點:1.安裝時無需焊接,2.錐體可以更換。
外形圖

尺寸表

其它管徑、長度也可以設計制造。
上一篇:v錐流量計的安裝要求
下一篇:v錐式流量計工作原理計算公式


